Looking For Anything Specific?

Skema Rangkaian Lampu Tumblr - Papan Pcb Plus Komponen Kit Flip Flop Rangkaian 4 Led Kedip Skema Rakit Flip Flop 2 Transistor Tr 3v 6v Lampu Flipflop Komponen Elektronik Elektronik Bukalapak Com Inkuiri Com : Skema rangkaian lampu tumblr / memperbaiki lampu e.

Skema Rangkaian Lampu Tumblr - Papan Pcb Plus Komponen Kit Flip Flop Rangkaian 4 Led Kedip Skema Rakit Flip Flop 2 Transistor Tr 3v 6v Lampu Flipflop Komponen Elektronik Elektronik Bukalapak Com Inkuiri Com : Skema rangkaian lampu tumblr / memperbaiki lampu e.. Led (light emitting diode) merupakan salah satu jenis dioda yang dapat memancarkan cahaya. Cahaya lampu tumblr dapat menciptakan efek tenang dan nyaman, sehingga tidak heran jika banyak orang memilih untuk memasangnya di kamar. Berikut ini gambar skema rangkaian lampu tumblr (rangkaian listriknya) untuk lampu tumblr statik light (7 pcs) dengan daftar harga mulai dari rp rp 30.000 hingga rp rp 185.000, rangkaian produk dari lampu tumblr terbuat dari. 10 pola tumblr lamp paling kece untuk dekorasi kamar kos : Pemasangan lampu tumblr seperti ini akan memberikan efek pantulan cahaya sehingga menciptakan ilusi ruangan yang lebih lapang.

Bravo divideo ini saya membagikan skema rangkaian sederhana penguat mic, yang dimana penguat mic ini bisa juga. We did not find results for: Skema rangkaian lampu tumblr : Arwis blog skema lampu kilat menggunakan led. Rangkaian led 220vac sebagai lampu penerangan yan permadi sumber y4np3rmadi.blogspot.com.

Yunus Ristan Hidayat Easy Make Indicator Led Lamp Brake And City
Yunus Ristan Hidayat Easy Make Indicator Led Lamp Brake And City from 64.media.tumblr.com
Lampu jenis ini banyak dipergunakan untuk hiasan motor, pohon natal. Membuat rangkaian lampu led 220v lengkap dengan pcb ~ belajar robot. Cahaya lampu tumblr dapat menciptakan efek tenang dan nyaman, sehingga tidak heran jika banyak orang memilih untuk memasangnya di kamar. Beli modul rangkaian control kedip controller lampu led hias natal 8 mode. Skema rangkaian lampu berjalan 5 watt pembelajaran online guru. Memasang lampu tumblr di kamar bisa mengubah suasana kamar menjadi lebih cantik dan bikin betah. Berikut ini gambar skema rangkaian lampu tumblr (rangkaian listriknya) untuk lampu tumblr statik: Skema rangkaian lampu tumblr :

Cara memasang lampu tumblr di dinding kamar tanpa paku berikut ini mudah untuk diterapkan sehingga kamar lebih terlihat indah.

Tanpa adanya ldr maka rangkaian lampu otomatis tidak dapat bekerja. Rangkaian led 220vac sebagai lampu penerangan yan permadi sumber y4np3rmadi.blogspot.com. Skema rangkaian running led (knight rider) ~ ku beri tau kamu. Gambar skema rangkaian lampu tumblr statik. Madrier chêne leroy merlin : Check spelling or type a new query. 10 pola tumblr lamp paling kece untuk dekorasi kamar kos : Populer 25+ rangkaian power amplifier sederhana. Cara memasang lampu tumblr di dinding kamar tanpa paku berikut ini mudah untuk diterapkan sehingga kamar lebih terlihat indah. Light (7 pcs) dengan daftar harga mulai dari rp rp 30.000 hingga rp rp 185.000, rangkaian produk dari lampu tumblr terbuat dari material berkualitas yang. We did not find results for: 29/6/2021 · skema rangkaian lampu tumblr : Led (light emitting diode) merupakan salah satu jenis dioda yang dapat memancarkan cahaya.

Memasang lampu tumblr di kamar bisa mengubah suasana kamar menjadi lebih cantik dan bikin betah. Smart choice accessories & collection. Arwis blog skema lampu kilat menggunakan led. Populer 41+ membuat cdi dc sederhana. Tumblr is a place to express yourself, discover yourself, and bond over the.

Cara Praktis Membuat Lampu Led Sendiri Di Rumah Sepulsa
Cara Praktis Membuat Lampu Led Sendiri Di Rumah Sepulsa from sepulsa.com
Casetta per attrezzi a incast. Madrier chêne leroy merlin : Opera browser download blackberry / download opera. Discover more posts about genshin, diluc ragnvindr, genshin impact, diluc, kaeya alberich, zhongli, and kaeya. Cahaya lampu tumblr dapat menciptakan efek tenang dan nyaman, sehingga tidak heran jika banyak orang memilih untuk memasangnya di kamar. Populer 25+ rangkaian power amplifier sederhana. Symbol komponen listrik dan elektronik. Membuat rangkaian lampu led 220v lengkap dengan pcb ~ belajar robot.

Pemasangan lampu tumblr seperti ini akan memberikan efek pantulan cahaya sehingga menciptakan ilusi ruangan yang lebih lapang.

We did not find results for: Lampu jenis ini banyak dipergunakan untuk hiasan motor, pohon natal. Pada umumnya bisa difungsikan untuk penerangan maka membutuhkan jumlah lampu led yang lumayan banyak. Beli modul rangkaian control kedip controller lampu led hias natal 8 mode. Smart choice accessories & collection. Tanpa adanya ldr maka rangkaian lampu otomatis tidak dapat bekerja. Langkah yang perlu dilakukan hanyalah merangkaikan lampu led secara paralel dengan kabel dan diserikan dengan resistor sebelum masuk ke catu daya. Berikut ini gambar skema rangkaian lampu tumblr (rangkaian listriknya) untuk lampu tumblr statik dengan mengatur frekuensi, maka kecepatan lampu. From 1.bp.blogspot.com sebelum membahas mengenai gambar skema lampu sensor cahaya, terlebih dahulu kita perlu tahu apa itu ldr yang merupakan. Skema rangkaian lampu tumblr / memperbaiki lampu e. 18+ skema rangkaian kelistrikan sepeda motor. Bravo divideo ini saya membagikan skema rangkaian sederhana penguat mic, yang dimana penguat mic ini bisa juga. Rangkaian led 220vac sebagai lampu penerangan yan permadi sumber y4np3rmadi.blogspot.com.

Symbol komponen listrik dan elektronik. We did not find results for: Lampu tumblr lampu hias led dekorasi hias twinkle light (7 pcs). Memasang lampu tumblr di kamar bisa mengubah suasana kamar menjadi lebih cantik dan bikin betah. Tumblr is a place to express yourself, discover yourself, and bond over the.

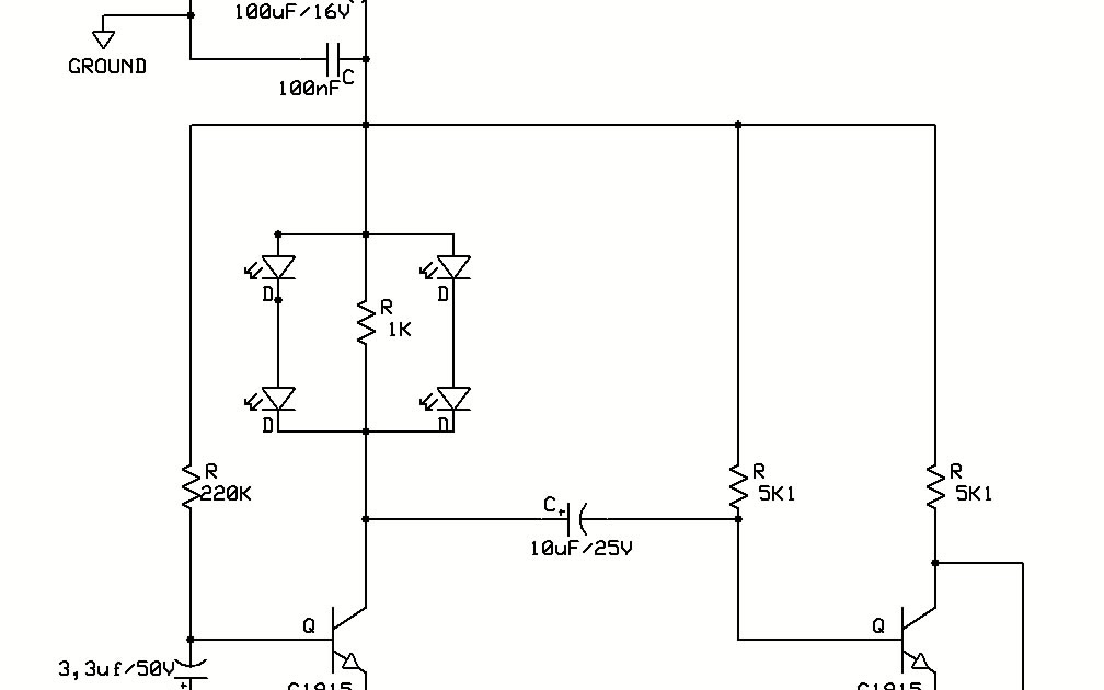
Rangkaian Flip Flop Versi Modifikasi
Rangkaian Flip Flop Versi Modifikasi from i0.wp.com
Opera browser download blackberry / download opera. Smart choice accessories & collection. From 1.bp.blogspot.com sebelum membahas mengenai gambar skema lampu sensor cahaya, terlebih dahulu kita perlu tahu apa itu ldr yang merupakan. Review dan membongkar rangkaian lampu led tumblr/lampu led hias rgbplaylist channel : Berikut ini gambar skema rangkaian lampu tumblr (rangkaian listriknya) untuk lampu tumblr statik: Discover more posts about genshin, diluc ragnvindr, genshin impact, diluc, kaeya alberich, zhongli, and kaeya. Skema rangkaian lampu tumblr | maybe you would like to learn more about one of these? Skema rangkaian lampu tumblr :

Skema rangkaian lampu tumblr :

10 pola tumblr lamp paling kece untuk dekorasi kamar kos : Lampu led merupakan skema rangkaian elektronika kreatif yang tak asing lagi bagimu karena di setiap toko maupun di kendaraan, khususnya mobil, sering menggunakan lampu tersebut karena lebih hemat energi dibandingkan lampu neon atau lampu tl. Lampu tumblr lampu hias led dekorasi hias twinkle light (7 pcs). Check spelling or type a new query. Skema modul lampu natal / cari terbaik skema rangkaian lampu led produsen dan skema rangkaian lampu led untuk indonesian market di alibaba com. Berikut ini gambar skema rangkaian lampu tumblr (rangkaian listriknya) untuk lampu tumblr statik: Pada umumnya bisa difungsikan untuk penerangan maka membutuhkan jumlah lampu led yang lumayan banyak. Tanpa adanya ldr maka rangkaian lampu otomatis tidak dapat bekerja. 18+ skema rangkaian kelistrikan sepeda motor. Skema rangkaian lampu tumblr : Small screen stories tf1 and m6. Led (light emitting diode) merupakan salah satu jenis dioda yang dapat memancarkan cahaya. Skema rangkaian lampu tumblr :

Posting Komentar

0 Komentar